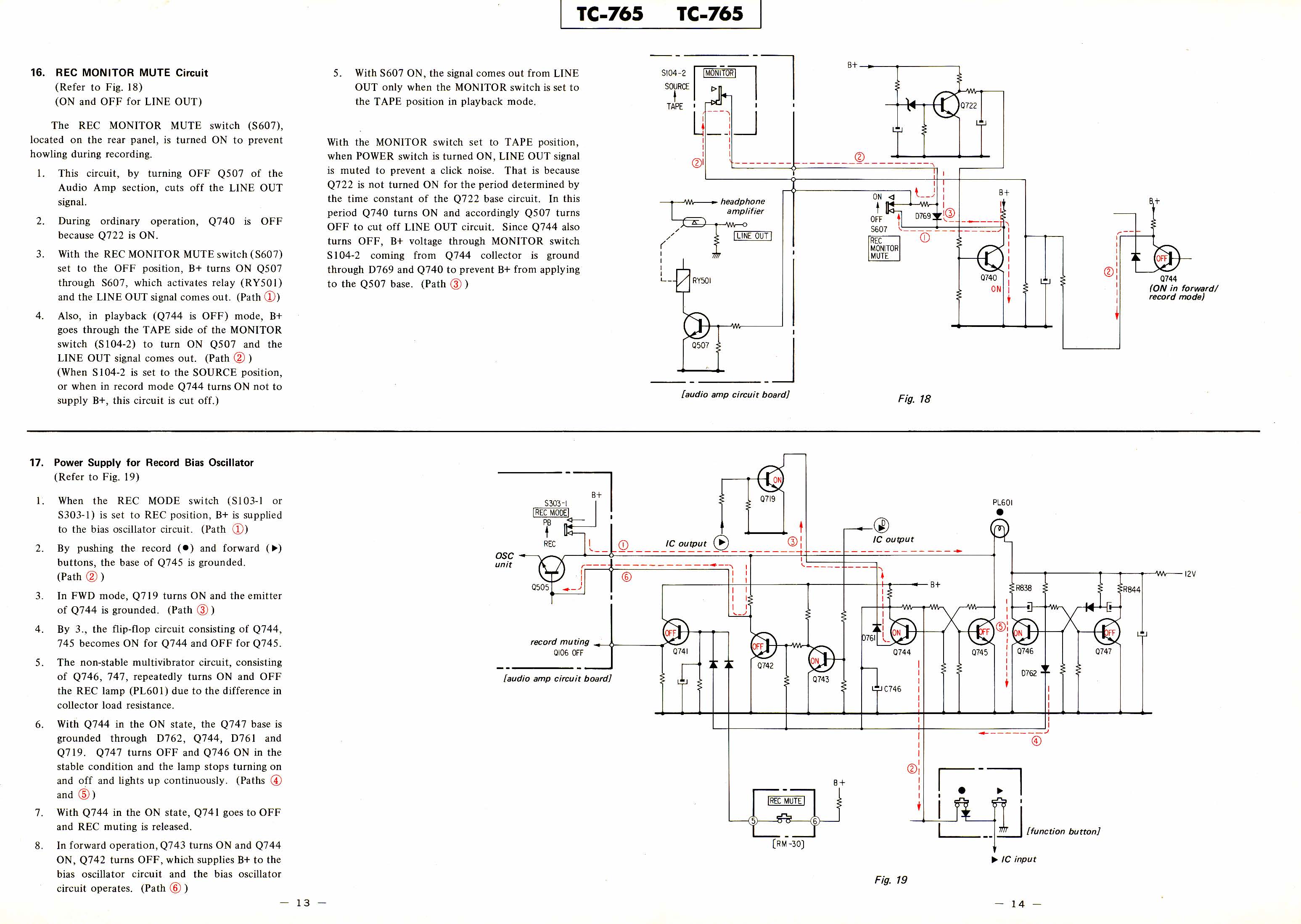
Sony TC-765: