Manuals Other interesting manuals Home Back
| Name | Last modified | Size | Description | |
|---|---|---|---|---|
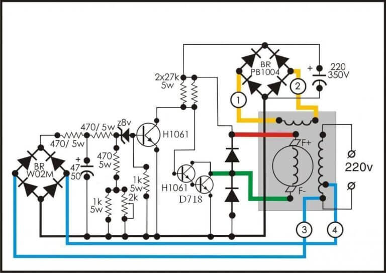
| Circuit diagram AVR.jpg | 2025-10-25 09:45 | 39K | Joint Photographics Experts Group | |
| Parkside2800A1.pdf | 2025-07-21 13:08 | 3.7M | Adobe Portable Document Format | |
©2023, Sterremuur@srv1
Admin